Outline

Ingegneria Sismica

Ingegneria Sismica

Performance-based evaluation of seismic gap distance calculation methods for preventing structural pounding

Author(s): Mohamed A. Tohamy1, Mostafa M. ElSayed1, Adel. Y. Akl1
1Department of Structural Engineering, Faculty of Engineering, Cairo University, 12613 Giza, Egypt
Tohamy, Mohamed A. ., ElSayed, Mostafa M. ., and Akl, Adel. Y. . “Performance-based evaluation of seismic gap distance calculation methods for preventing structural pounding.” Ingegneria Sismica Volume 42 Issue 4: 111-126, doi:10.65102/is202546.

Abstract

Earthquake-induced structural pounding phenomenon has been the concern of numerous studies in recent years. This phenomenon may cause severe damage to colliding building elements that may lead to their collapse. As such, the international seismic provisions have proposed a minimum separation distance between adjacent buildings to avoid pounding. However, such provisions have considered only the peak floor drift, but not the relative movement between buildings, which provides excessive gap distance between adjacent buildings in some cases. This study aims to evaluate the accuracy of different methods used in determination of seismic joint distance. In order to identify peak floor drift of analyzed buildings, nonlinear pushover analysis is conducted to four reinforced concrete frames utilizing three earthquake recodes with five peak ground accelerations varies from 0.10 to 0.30g. Then nonlinear time history analysis has been performed considering same seismic records and peak ground accelerations to calculate the critical required gap distances and compare them with the results of the studied methods. The results show that the use of absolute sum rule always provides overestimation of separation distance, while square root rule may provide more accurate separation distance but, in few cases, provides insufficient separation distance between adjacent buildings.

Keywords
seismic joint, adjacent buildings, non-linear pushover analysis, DDC rule, seismic pounding

1 Introduction

Earthquakes are among the most significant natural hazards posing a serious threat to the structural safety of buildings. Numerous destructive earthquakes have struck cities worldwide throughout history and in recent decades. Egypt has also experienced damaging seismic events, most notably y the 1992 Cairo earthquake with a magnitude of 5.8, which resulted in the collapse of more than 300 buildings, hundreds of fatalities, and thousands of people left homeless. Such events highlight the critical need to design structures to resist seismic loads and to thoroughly investigate their response under earthquake excitation

In many densely populated cities, many executed buildings are already built in contact or extremely close to each other where the cost of land is very high that could lead to seismic pounding due to future earthquakes. Seismic pounding can cause higher damage at all stories along the entire height of a building in cases of aligned slab pounding [1], or leas to shear failure for edge columns in cases of inter-story pounding [2]. Therefore, the existence of sufficient separation distance between buildings is essential to avoid seismic pounding damage. As the duration of ground motion increases, the demand for a safe separation distance between buildings also rises [3]. Despite that, the current design standards only just suggest a minimum distance between such buildings in order to avoid seismic pounding without taking into account the relative movement for the adjacent structures, which provide excessive separation distance especially for the case if the adjacent building have a similar fundamental period [4]. Therefore, recent researches have focused on developing new methods for calculating the seismic gap between adjacent buildings that take into account the dynamic properties of the structures such as the Double Difference Combination (DDC) rule and the simplified approach by Kamal and Inel [5].

This study aims to evaluate and compare different methods used to determine the required seismic separation distance between adjacent buildings in order to prevent pounding. Four reinforced concrete buildings (A, B1, B2, and C), consisting of 9, 12, 12, and 15 stories, respectively, were selected to form eight cases of adjacent building configurations. These cases were analyzed using three earthquake records (El Centro, Northridge, and Loma Prieta) scaled to five peak ground acceleration levels ranging from 0.10g to 0.30g. Nonlinear static pushover analysis was first performed to estimate maximum story displacements and corresponding separation distances according to seismic code provisions and research-based methods. Subsequently, nonlinear time history analysis was conducted to determine the critical separation distances and assess the accuracy of the different calculation approaches.

2 Determination of seismic joint distance

2.1 International codes recommendations

The intuitive method to avoid the seismic pounding is taking a sufficient separation distance between the adjacent structures. For this reason, the most of international codes introduced a minimum separation distance between closely spaced buildings. This criterion is similar in the most international provisions and standards, where most of international standards follows one of two rules for calculation the required separation distance between adjacent buildings. The first rule is square root of the sum squares (SRSS rule), which has been followed in most of design codes such as Eurocode-8 [6], and Egyptian code for loads calculations (ECP 201-2012) [7]. According to SRSS rule, the separation distance between two adjacent buildings should not be less than the square root of the sum squares of the maximum lateral displacements of the two buildings as shown in the following equation

\[\label{eq1} \Delta_{MT}=\sqrt{\Delta_{M1}^{2}+\Delta_{M2}^{2}} \tag{1}\]

The second rule for calculation the required separation distance between buildings, which has been recommended by some of international codes, such as UBC.97 [8], is the absolute summation rule (ABS rule). Where according the ABS rule the required separation distance between the adjacent buildings equal to the sum of their maximum displacements as shown in the following equation

\[\label{eq2} \Delta_{MT}=\Delta_{M1}+\Delta_{M2} \tag{2}\]

In addition, Eurocode 8 and the Egyptian Code for Loads (ECP 201-2012) permit a reduction in the separation distance calculated using the SRSS rule by a factor of 0.7 when adjacent buildings have matching storey levels, i.e., when slab levels are horizontally aligned. This provision reflects the reduced likelihood and severity of pounding under aligned floor conditions.

2.2 Recent researches methods

Although the ABS and SRSS rules are common methods of calculation the seismic joint distance in the most of international codes and standards, these two methods have a lack of accuracy. Where the both equations do not take into the consideration the relative movement of the adjacent buildings, which, affects the required separation distance between structures. The poor estimation of the ABS and SRSS rules is occur obviously when the natural periods of the adjacent buildings are very close to each other. In this case, the adjacent buildings will have a similar lateral movement approximately and the previous methods will provide over estimation for the required separation distance [9].

In order to overcome this poor estimation of seismic joint in the ABS and SRSS rules, many recent studies tried to develop alternative methods to calculate the gap distance between adjacent buildings with taking into the consideration the dynamic properties of each building such as the time period and damping ratio.

Jeng, V., et al [10] introduced what is so-called the double difference combination rule, DDC rule, as an alternative method to calculate the seismic joint. Where according to the DDC rule, the following equation is used to get the minimum distance between adjacent buildings

\[\label{eq3} \Delta_{MT}=\sqrt{\Delta^2_{M1}+\Delta^2_{M2}-2\rho\Delta_{M1}\Delta_{m2}}, \tag{3}\] where, \(\rho\) is the cross-correlation factor between the buildings, which could be calculated from the following equations \[\rho = \frac{ 8\sqrt{\xi_1\xi_2}\left(\xi_1+\xi_2\frac{T_1}{T_2}\right) \left(\frac{T_1}{T_2}\right)^{1.5} }{ \left[1-\left(\frac{T_1}{T_2}\right)^2\right]^2 +4\xi_1\xi_2\left[1+\left(\frac{T_1}{T_2}\right)^2\right]\left(\frac{T_1}{T_2}\right) +4\left(\xi_1^2+\xi_2^2\right)\left(\frac{T_1}{T_2}\right)^2 }. \label{eq4} \tag{4}\]

In case if \(\xi_1=\xi_2=\zeta\) \[\rho = \frac{ 8\zeta^2\left(1+\frac{T_1}{T_2}\right) \left(\frac{T_1}{T_2}\right)^{1.5} }{ \left[1-\left(\frac{T_1}{T_2}\right)^2\right]^2 +\left[4\zeta^2\left(1+\left(\frac{T_1}{T_2}\right)^2\right)\right] \left(\frac{T_1}{T_2}\right) }. \label{eq5} \tag{5}\]

The DDC rule has been derived from the random vibration theory for two linear elastic SDOF systems, where the systems have been vibrated under the same ground motion simultaneously.

Lopez-Garcia, D., et al [11] states that the DDC rule is valid for the multi-storey buildings, MDOF systems, whose first vibration mode responses represent a large part of the total response. However, the DDC rule has been derived based on the assumption that the system is a linear elastic one, which does not occur in actual cases scenarios, where the most of buildings responds nonlinearly when subjected to strong ground motions.

Many researches have been developed alternative methods for calculation the correlation factor \(\rho\) in order to make the DDC rule applicable for studying the nonlinear inelastic systems. A brief explanation for those alternative methods of calculation the correlation factor will be shown as follows.

2.3 Filiatrault method

In this method, which has been provided by Filiatrault, A., and Cervantes, M [12], the value of the correlation factor specified by Jeng, V., et al [10] for studying the seismic joint for the linear elastic systems is used to calculate the separation distance for the nonlinear inelastic systems. In other words, the Filiatrault method has been developed based on the assumption that the correlation factor is the same for the linear and non-linear systems.

2.4 Lopez method

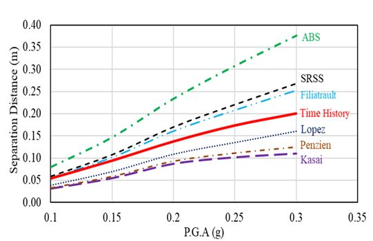
Lopez-Garcia [13] proposed an empirical method for estimating the correlation factor in nonlinear structural systems, based on results obtained from Monte Carlo numerical simulations. In this approach, the correlation factor for nonlinear behavior can be determined using the Lopez-Garcia criteria, which are derived from the parametric charts presented in Figure 1.

2.5 Kasai method

Kasai, K., et al [14] used the same equation of correlation factor as specified by Jeng, V., et al [6]. However, the fundamental period (T), and damping ratio (\(\zeta\)) for the systems have been replace with ones that represent the nonlinear hysteretic systems (T & \(\zeta\) ) as shown in the following equations. \[T^{\lambda}=T\left[1+0.18(\mu-1)\right], \label{eq6} \tag{6}\]

\[\xi^{\lambda}=\xi+0.16(\mu-1)^{0.9}. \label{eq7} \tag{7}\]

Unlike the other methods, the Kasai method provided a lower limit for the separation distance calculated by it as shown in the following equation: \[\Delta_{MT} =\sqrt{\Delta_{M1}^{2}+\Delta_{M2}^{2}-2\rho\,\Delta_{M1}\Delta_{M2}} \ge 0.25\left(\Delta_{M1}+\Delta_{M2}\right). \label{eq8} \tag{8}\]

2.6 Penzien method

Like Kasai method, Penzien, J. [15] proposed to use the same equation of correlation factor as specified by Jeng, V., et al [] with replacing the fundamental period (T), and damping ratio (\(\zeta\)) for the systems with ones that represent the nonlinear hysteretic systems (T & \(\zeta\) ). However, Penzien proposed a different criterion for the relation between the linear and non-linear hysteretic systems as shown in the following equations. \[T^{\lambda} = T\sqrt{\frac{\mu}{\gamma+\alpha(\mu-\gamma)}}, \label{eq9} \tag{9}\] \[\xi^{\lambda} = \xi + \frac{2}{\pi} \left( \frac{(\mu-\gamma)(1-\alpha)\gamma} {\mu\left(\gamma+\alpha(\mu-\gamma)\right)} \right). \label{eq10} \tag{10}\]

where, \(\gamma\) is a factor equal 1.54 as suggested by Penzien, J. [14].

3 Case study buildings

Four reinforced concrete buildings—A, B1, B2, and C—with 9, 12, 12, and 15 storeys, respectively, were selected for the analytical investigations conducted in this study. All buildings have a rectangular, symmetric floor plan consisting of five bays in each principal direction, with a bay width of 5 m.

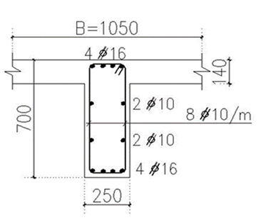
The storey height is 3.0 m for all buildings, except for the ground storey of Buildings B2 and C, where the height is increased to 5.0 m. The structural system comprises a two-way solid reinforced concrete slab with a thickness of 140 mm, supported by reinforced concrete beams with cross-sectional dimensions of 250 \(\mathrm{\times}\) 700 mm, as illustrated in Figure 2.

The column cross-sectional dimensions and longitudinal reinforcement details of the case study buildings are summarized in Table 1. All columns are provided with transverse reinforcement of Ø10 mm bars spaced at 125 mm.

The characteristic compressive strength of concrete and the yield strength of reinforcing steel are taken as f\(\mathrm{\prime}\)c = 30 MPa and fy = 360 MPa, respectively.

Table 1 Concrete dimensions (in mm) and reinforcement for columns
Stories Buildings
A B\({}_{1}\) and B\({}_{2}\) C
Internal Columns Edge Columns Internal Columns Edge Columns Internal Columns Edge Columns
1\(^st\) to 3\(^rd\) 700\(\mathrm{\times}\)700
20\(\phi\)18
250\(\mathrm{\times}\)1000
12\(\phi\)18
850\(\mathrm{\times}\)850
24\(\phi\)22
250\(\mathrm{\times}\)1150
12\(\phi\)22
900\(\mathrm{\times}\)900
24\(\phi\)22
300\(\mathrm{\times}\)1200
12\(\phi\)22
4\(^th\) to 6\(^th\) 600\(\mathrm{\times}\)600
16\(\phi\)18
250\(\mathrm{\times}\)800
12\(\phi\)16
700\(\mathrm{\times}\)700
20\(\phi\)18
250\(\mathrm{\times}\)1000
12\(\phi\)18
800\(\mathrm{\times}\)800
20\(\phi\)22
250\(\mathrm{\times}\)1150
12\(\phi\)22
7\(^th\) to 9\(^th\) 500\(\mathrm{\times}\)500
16\(\phi\)16
250\(\mathrm{\times}\)600
8\(\phi\)16
600\(\mathrm{\times}\)600
16\(\phi\)18
250\(\mathrm{\times}\)800
12\(\phi\)16
700\(\mathrm{\times}\)700
20\(\phi\)18
250\(\mathrm{\times}\)1000
12\(\phi\)18
10\(^th\) to 12\(^th\) 500\(\mathrm{\times}\)500
16\(\phi\)16
250\(\mathrm{\times}\)600
8\(\phi\)16
600\(\mathrm{\times}\)600
16\(\phi\)18
250\(\mathrm{\times}\)800
12\(\phi\)16
13\(^th\) to 15\(^th\) 500\(\mathrm{\times}\)500
16\(\phi\)16
250\(\mathrm{\times}\)600
8\(\phi\)16

The buildings were designed to resist gravity and seismic loads in accordance with the Egyptian Code for the Design and Construction of Concrete Structures [16] and the Egyptian Code for Loads [6] The self-weight of the structures was calculated assuming a reinforced concrete unit weight of 2.5 t/m³. Additional imposed loads included a floor finishing load of 1.50 kN/m², a partition load of 9.60 kN/m, and a live load of 2.00 kN/m².

The buildings were designed for seismic actions corresponding to a peak ground acceleration (PGA) of 0.15 g and soil class B, in accordance with ECP 201-2012. Furthermore, all buildings were assumed to have fixed-base boundary conditions, with full restraint at the foundation level.

4 Numerical modeling

4.1 Material properties and elements characteristics

The case study buildings have been modeled as a 2D frame finite element models as shown in Figure 3 Nonlinearities are concentrated in plastic hinges whose moment-curvature performance is depicted by fiber models with 150 fibers in each transversal section.

Manders, J. B., et all stress-strain curve [17] has been used as a non-linear concrete model for the buildings. The finite element program takes into consideration the difference between the confined concrete and the unconfined one, where the concrete, which confined with a transverse reinforcement has a compressive strength higher than that of the unconfined concrete. While the program can automatically calculate the confinement factor which use to magnify the stress-strain relationship of the confined concrete part upon the input transverse reinforcement and Mander model.

Menegotto, M., and Pinto, P. E. stress-strain curve [18] has been used for the modelling of reinforcement rebar, where this reinforcement steel model usage is confined to the modelling of reinforced concrete structures, especially those subjected to complex loading histories, where significant load reversals might occur.

The self-weight of structural elements was automatically computed by the finite element program based on the material unit weights, while additional gravity loads were incorporated as distributed masses assigned to beam elements, consistent with the adopted gravitational acceleration.

4.2 Damping properties

Most of the seismic energy imparted to a structure is dissipated through hysteretic damping, which is inherently captured within the nonlinear fiber-section formulation used for modeling the inelastic frame elements and is automatically accounted for during the analysis.

However, certain forms of non-hysteretic damping are not explicitly represented in this modeling approach. These damping components arise from mechanisms such as friction between structural and non-structural elements, as well as energy dissipation associated with crack opening and closing in reinforced concrete members. Such effects are commonly incorporated through Rayleigh damping [19].

In the Rayleigh damping model, the natural periods (T) and damping ratios (\(\zeta\)) corresponding to the first and last modes of interest—specifically the first and third modes in this study—were specified. Based on these inputs, the program automatically computes the mass-proportional (\(\alpha_m\)) and stiffness-proportional (\(\alpha_k\)) damping coefficients using the following equations: \[\alpha_M = 4\pi \frac{\xi_1 T_1 – \xi_2 T_2}{T_1^2 – T_2^2}, \label{eq11} \tag{11}\] \[\alpha_K = \frac{T_1 T_2}{\pi} \frac{\xi_2 T_1 – \xi_1 T_2}{T_1^2 – T_2^2}, \label{eq12} \tag{12}\] where the damping ratio has been taken equal 5% during the analysis.

5 Methodology

To evaluate the effectiveness of different methods for calculating the seismic separation distance, the four reinforced concrete case study buildings were paired to form eight adjacent-building configurations (i.e., eight separation cases). Each building pair was analyzed under three recorded earthquake ground motions—El Centro, Northridge, and Loma Prieta—scaled to five peak ground acceleration (PGA) levels: 0.10 g, 0.15 g, 0.20 g, 0.25 g, and 0.30 g.

Initially, nonlinear pushover analysis was performed to determine the maximum storey displacements, which were then used to estimate the required gap distances according to code-based provisions (ABS and SRSS rules) and research-based approaches (DDC rule methods). Subsequently, nonlinear time-history analysis was conducted to compute the critical separation distances, allowing a comprehensive evaluation and validation of the code-based and research-oriented methods.

5.1 Separation cases discerption

The above-mentioned eight cases of separation can be divided into three groups, which cover wide range of relative fundamental periods and damping ratios between the adjacent buildings

Group I: Adjacent Buildings with Different Floor Levels

This group of separation cases represent the case of adjacent R.C buildings with different floor levels, where the ground and typical stories levels for each building are different from those for the other adjacent building. This group include three separation cases:

  • Separation Case (1): Evaluation of the required separation distance between Building A and Building B2.

  • Separation Case (2): Assessment of the separation distance between Building B1 and Building C.

  • Separation Case (3): Determination of the required gap between Building A and Building C.

Group II: Adjacent Buildings with Aligned Floor Levels

This group of separation cases represent the case of adjacent R.C buildings with the same floor levels, where the ground and typical stories levels for each building are similar to those for the other adjacent building. This group contains two separation cases:

  • Separation Case (4): Evaluation of the required separation distance between Building A and Building B1.

  • Separation Case (5): Assessment of the separation distance between Building B2 and Building C.

Group III: Adjacent Identical Buildings

The case of adjacent typical buildings has been taken into consideration during this group of separation cases. Three separation cases have been included through this group:

  • Separation Case (6): Separation distance between two adjacent Type A buildings.

  • Separation Case (7): Separation distance between two adjacent Type B1 buildings.

  • Separation Case (8): Separation distance between two adjacent Type C buildings.

5.2 Non-linear static pushover analysis

The capacity spectrum method, according to the procedures of the ATC40 standard [20] has been used to perform the pushover analysis to get the maximum stories displacements for case study buildings as shown in the following steps:

  1. Incremental lateral loads patterns proportional to the fundamental mode shape for case study buildings have been applied to the studied buildings.

  2. Non-linear static pushover analysis has been performed to the buildings using the finite element program to calculate the maximum roof displacement for the buildings during each lateral load increment and plotting the pushover curves for the buildings.

  3. Development of response spectra: Elastic response spectra with 5% damping were constructed for each earthquake record at the different studied peak ground accelerations (PGA).

  4. The pushover curve for each building and response spectrum curve for each earthquake record has been converted to capacity spectrum and demand curves respectively in acceleration displacement response spectrum (ADRS) format, and then the capacity curve for each building has been plotted on the same chart with the demand curves of the earthquake records

  5. Determination of trial performance points: Trial points were selected along the capacity curves to construct a bilinear approximation, and the corresponding reduction factors for the demand spectra were computed following ATC-40 procedures, resulting in the reduced demand curves.

  6. Iterative performance point identification: The previous step was repeated for each building and earthquake record until the reduced demand curves intersected the capacity curves at or near the trial performance point, within an acceptable tolerance.

Figure 4 illustrates the intersection of the capacity curve of Building A with the reduced demand curve corresponding to the El Centro earthquake, scaled to a PGA of 0.15 g, at the trial performance point.

The performance points obtained from the pushover analysis represent the maximum roof displacements of the buildings under the effect of the studied earthquake records. These displacements were subsequently used to compute the required seismic separation distances for all eight separation cases, employing the various calculation methods, including the ABS, SRSS, and DDC rules. The resulting maximum roof displacements derived from the pushover analyses are presented in Figure 5.

5.3 Non-linear static pushover analysis

To evaluate the accuracy of the previously discussed methods for calculating seismic separation distances, nonlinear dynamic time-history analyses were conducted for the case study buildings. This analysis was used to determine the critical separation distances for all studied separation cases and to compare them with the separation distances obtained from code-based and research-oriented methods (ABS, SRSS, and DDC rules).

The four case study buildings were analyzed under three earthquake records—El Centro, Northridge, and Loma Prieta—with five levels of peak ground acceleration (PGA = 0.10 g, 0.15 g, 0.20 g, 0.25 g, and 0.30 g). For each analysis case, the time–displacement histories of the relevant storeys (9th, 12th, and 15th floors) were obtained from the finite element program. These storeys correspond to the roof floors of the studied buildings and the opposite floors in their adjacent buildings.

The critical separation distance for each case was calculated by plotting the time–displacement responses of the two adjacent buildings on the same chart, as illustrated in Figure 6. The maximum difference in displacement between the corresponding storeys of the two buildings at any instant of time (t) was considered as the critical separation distance under the effect of the studied earthquake record. This resulted critical separation distance is the minimum allowable distance between the two adjacent buildings to avoid the pounding between them. Using the previous concept, the critical separation distance between the case study buildings for all separation cases have been calculated.

6 Results

The required separation distances obtained from the various calculation methods, along with the critical separation distances derived from nonlinear time-history analyses, were used to develop a graphical tool for estimating the required seismic separation between adjacent mid- to high-rise buildings.

Three types of charts were produced:

  • Group I: Adjacent buildings with different storey levels.

  • Group II: Adjacent buildings with the same storey levels.

  • Group III: Typical adjacent buildings with identical configurations.

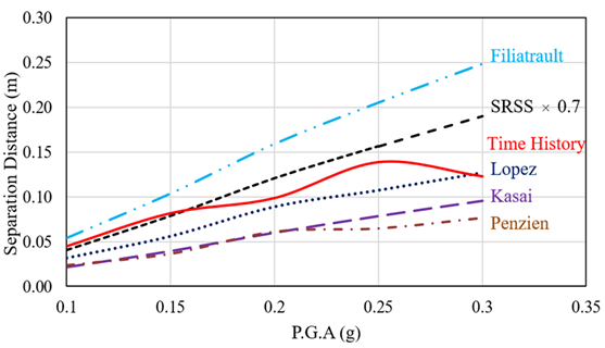
These charts, presented in Figures 7, 8, and 9, display the maximum required separation distances for each studied separation case, across all PGA levels and calculation methods, providing a practical tool for preliminary design and comparison.

It should be noted that, in the second and third charts, the SRSS rule results were multiplied by a factor of 0.70, since the adjacent buildings in these cases have aligned storey levels. This adjustment follows the recommendations of Eurocode 8 and ECP 201-2012, which allow a reduction of the SRSS-based separation distance by 30% for buildings with matching floor elevations, as discussed previously.

6.1 Group (I) – Adjacent buildings with different floor levels and fundamental periods

The evaluation of the Group-I cases shows a noticeable pattern in the behavior of the different separation-distance methods. The ABS rule consistently provides the highest estimates of the required seismic gap, exceeding the values obtained from time-history analyses by nearly 50% to 90%. Such a large margin indicates that this method is highly conservative when the adjacent buildings possess significantly different dynamic properties, which may result in avoidable construction expenses and inefficient use of available space.

The SRSS rule also produces conservative estimates, although its level of overestimation is more moderate, typically ranging from about 7% to 35%. This suggests that, while it is generally safer than many alternative methods, relying on it alone may still lead to designs that are more cautious than necessary. The values calculated using the Filiatrault approach are usually close to those of the SRSS rule, but slightly lower, which agrees with earlier research showing that this method offers a reasonable balance between safety and practicality.

On the other hand, the Lopez, Kasai, and Penzien methods often produce smaller gap distances than required, particularly when the neighboring buildings differ notably in their dynamic behavior. Such underestimation may increase the likelihood of structural pounding under strong ground motions, underscoring the need for careful method selection when designing separation distances between adjacent buildings.

6.2 Group (II) – Adjacent buildings with aligned floor levels

The separation cases in Group II involve building pairs with matching floor elevations, a configuration that typically reduces the likelihood and severity of pounding due to the uniform transfer of inertial forces across aligned slabs. The results for this group highlight several important behavioral patterns. Among the examined methods, the Filiatrault approach consistently produced the largest estimates of the required seismic gap, followed by the reduced SRSS recommendation adopted in the Egyptian Code and Eurocode (SRSS \(\mathrm{\times}\) 0.7), while the Lopez method generally produced slightly smaller values. This ranking reflects the differing levels of conservatism embedded in each formulation, particularly in how they account for inelastic behavior and correlation effects between adjacent systems.

A comparison with the critical separation distances obtained from nonlinear time-history analyses shows that the Filiatrault method offers reasonably reliable predictions when the ground-motion intensity is moderate (PGA \(\mathrm{\le}\) 0.15 g). However, as the excitation level increases, this method tends to become overly conservative, leading to gap distances larger than those actually demanded by the dynamic response. In contrast, the (SRSS \(\mathrm{\times}\) 0.7) recommendation performs better at higher PGA levels, providing estimates that are closer to the observed behavior, but it tends to underestimate the required separation at lower seismic intensities. This observation suggests that the performance of each method is sensitive not only to the dynamic properties of the buildings but also to the level of seismic demand.

Regarding the lower-bound predictions, the Kasai and Penzien methods generally yield the smallest separation distances within this group. In nearly half of the cases (47%), the Penzien method provides the minimum gap, while the Kasai method gives the smallest values in the remaining cases. Both methods, however, consistently underestimate the required separation distance compared with the critical values derived from time-history analyses. Their tendency toward underestimation indicates that these formulations may not fully capture the coupled dynamic behavior of adjacent inelastic systems under strong motions, and thus their direct use for design in aligned-floor configurations may lead to unsafe clearances.

Overall, the results for Group II emphasize that no single method performs equally well across all intensity levels. Instead, the suitability of each approach depends on the range of expected ground motions and the acceptable balance between safety and practical construction constraints.

6.3 Group (III) – Adjacent typical buildings with identical dynamic properties

Group III examines the simplest yet practically important scenario—adjacent buildings that share identical structural characteristics, including matching natural periods, mass distribution, and stiffness profiles. In such configurations, the two buildings tend to respond almost synchronously under seismic excitation, resulting in parallel motion that significantly reduces the likelihood of pounding.

The results confirm this expected behavior. Methods such as those proposed by Filiatrault, Lopez, and Penzien all predict a separation distance of zero for these typical building pairs. This prediction aligns perfectly with the outcomes of nonlinear time-history analyses, which show that the relative displacements between the two identical structures remain negligible throughout the duration of the ground motions. Consequently, no seismic gap is required to prevent pounding in these particular cases, provided that both buildings are truly identical and subjected to the same excitation conditions.

In contrast, the Egyptian Code and Eurocode recommendation (SRSS \(\mathrm{\times}\) 0.7) significantly overestimates the required gap, despite the dynamic similarity between the buildings. This limitation stems from the inherent nature of the SRSS formulation, which does not explicitly incorporate the correlation between adjacent systems. As a result, it treats the two displacement responses as if they were statistically independent, leading to unnecessary separation distances that may not reflect the actual response mechanisms.

Although the Kasai method incorporates system properties more explicitly, it still produces overestimated separation distances in this group. The primary reason is the lower-bound constraint embedded within the method, which prevents the required separation distance from falling below a certain percentage of the combined displacements. While this constraint enhances safety for non-identical buildings, it becomes overly conservative when applied to identical structures that move in near-perfect synchrony.

Collectively, the results from Group III highlight the importance of considering dynamic similarity when determining seismic separation distances. For identical buildings, simplified methods that acknowledge correlated motion—such as Filiatrault, Lopez, and Penzien—provide predictions that are far more consistent with real behavior than code-based formulations or methods with imposed lower bounds. This underscores the significance of tailored design approaches when adjacent structures exhibit near-identical dynamic responses.

7 Conclusions

The results of this study highlight clear differences in the performance of existing methods used to estimate seismic separation distances between adjacent buildings. The Absolute Sum Rule (ABS) was found to be the most conservative approach, overestimating the required gap by 50%–90% in all cases. The SRSS rule also produced conservative values, though to a lesser extent, with overestimations ranging from 7% to 35%.

For building pairs with differing dynamic properties, the Lopez, Penzien, and Kasai methods consistently underestimated the required separation distance, indicating that these approaches may not fully capture the relative inelastic response under strong ground motions. The Filiatrault method provided estimates close to, but slightly smaller than, those obtained using the SRSS rule, making it a more balanced and practical alternative for many cases.

In configurations where adjacent buildings have aligned floor levels, the Filiatrault method matched the critical separation distances well for lower-intensity earthquakes (PGA \(\mathrm{\le}\) 0.15 g), while the reduced SRSS recommendation (SRSS \(\mathrm{\times}\) 0.7) performed better at higher intensities (PGA \(\mathrm{>}\) 0.15 g). This demonstrates that the suitability of each method is influenced by the expected ground-motion level.

For identical adjacent buildings, nonlinear time-history analyses confirmed that no separation gap is required, as both buildings move almost identically. In this scenario, methods such as Filiatrault, Lopez, and Penzien correctly predicted zero required separation, while the SRSS-based code recommendation and the Kasai approach significantly overestimated the gap.

Overall, the findings indicate that method selection should consider both the dynamic similarity of adjacent buildings and the expected seismic hazard level. Choosing an appropriate approach can provide more accurate gap estimates while avoiding unnecessary conservatism in design.

References

  1. Lu, Y., Xiong, F., Ran, M. M., Ge, Q., & Wang, J. (2022). Seismic pounding damage to adjacent reinforced concrete frame–shear wall buildings and freestanding contents. Earthquake Engineering & Structural Dynamics, 51(6), 1436-1456.

  2. Borekci, M., Dag, B., & Eroglu, A. (2024). Seismic behaviour of reinforced concrete buildings: Impact of inter-story pounding with adjacent structures on one and both sides. In Structures (Vol. 70, p. 107815). Elsevier.

  3. Naseri, S. A., VaseghiAmiri, J., Rajabnejad, H., & Sadeghi, A. (2022). A study into the effect of different ground motion durations on the seismic pounding force by considering soil–structure interaction. Asian Journal of Civil Engineering, 23(1), 53-65.

  4. Jaradat, Y., & Far, H. (2023). A mathematical approach for predicting sufficient separation gap between adjacent buildings to avoid earthquake-induced pounding. Civil Engineering Journal, 9(10), 2370-2398.

  5. Kamal, M., & Inel, M. (2022). Simplified approaches for estimation of required seismic separation distance between adjacent reinforced concrete buildings. Engineering Structures, 252, 113610.

  6. Euro-code 8 (2003). Design of structures for earthquake resistance, European Committee for Standardization; Brussels, Belgium.

  7. ECP-201 (2012). The Egyptian code for calculation of loads on structures, Housing and Building National Research Center; Giza, Egypt.

  8. UBC97 (1997). Uniform building code, International Conference of Building Officials; Whittier, CA.

  9. Lopez Garcia, D. (2003). Probabilistic evaluation of assessment rules for the separation distance between adjacent structures. In Ninth International Conference on Applications of Statistics and Probability in Civil Engineering (Vol. 2, pp. 1519-1526).

  10. Jeng, V., Kasai, K., and Maison, B. (1992). A spectral difference method to estimate building separations to avoid pounding. Earthquake Spectra, 8(2), 201-223.

  11. Lopez-Garcia, D., et al. (2009). Evaluation of current criteria in predicting the separation necessary to prevent seismic pounding between nonlinear hysteretic structural systems. Engineering Structures, 31(5), 1217-1229.

  12. Filiatrault A., and Cervantes M. (1995). Separation between buildings to avoid pounding during earthquakes. Canadian Journal of Civil Engineering, 22(1), 164-179

  13. Lopez-Garcia, D. (2004). Separation between adjacent nonlinear structures for prevention of seismic pounding. In 13th World Conference on Earthquake Engineering Vancouver, (pp. 1-6).

  14. Kasai, K. Jagiasi, A., and Jeng, V. (1996). Inelastic vibration phase theory for seismic pounding mitigation. ASCE Journal of Structural Engineering, 122(10), 1136-1146.

  15. Penzien, J. (1997). Evaluation of building separation distance required to prevent pounding during strong earthquakes. Earthquake Engineering and Structural Dynamics, 26(8), 849-858

  16. ECP-203 (2007). The Egyptian code for design and construction of reinforced concrete structures, Housing and Building National Research Center; Giza, Egypt.

  17. Manders, J. B., Priestley, M. J., & Park, R. (1988). Theoretical stress-strain model for confined concrete. Journal of Structural Engineering, 114(8), 1807-1826.

  18. Menegotto, M. (1973). Method of Analysis for Cyclically Liaded RC Frames Including Changes in Geometory and Non-Elastic Behaviour of Elements under Combined Normal Force and Beading. In IABSE Congress Reports of the Working Commission Band 13, 15-22.

  19. Chopra, A.K. (1995). Dynamics of Structures: Theory and Applications to Earthquake Engineering. Prentice Hall, New Jersey, U.S.A.

  20. ATC-40 (1996). Seismic Evaluation and Retrofit of Concrete Buildings. Volume 1, Applied Technology Council; Redwood City, California, U.S.

Related Articles

Mehmet Yigitbas1, Ernesto Grande1, Maura Imbimbo1
1Department of Civil and Mechanical Engineering, University of Cassino and Southern Lazio, 03043, Cassino FR, Italy
Yan Shi1, Xuexin Wang1, Qianzhan Cheng1, Zhao Cheng1
1School of Civil and Hydraulic Engineering, Lanzhou University of Technology, 730050 Lanzhou, China
Alper Demirci1, Semanur Kenar2
1Faculty of Engineering, Çanakkale Onsekiz Mart University, 17100, Çanakkale, Türkiye
2School of Graduate Studies, Çanakkale Onsekiz Mart University, 17100, Çanakkale, Türkiye
Guoxi Fan1, Boyuan Guo1, Peng Hu2, Shirui Sun1, Haozhe Zhang1, Lu Yu1, Xiaocheng Tang3
1College of Engineering, Ocean University of China, 266404 Qingdao, Shandong, China
2Shanghai Baoye Group Co., Ltd., 200941 Shanghai, China
3School of Civil Engineering, Jilin Jianzhu University, 130118 Changchun, Jilin, China
Yunus Demirtas1,2, Ozgur Avsar2
1Civil Engineering Department, Usak University, 64200 Usak, Türkiye
2Civil Engineering Department, Eskisehir Technical University, 26555 Eskisehir, Türkiye